高斯面
高斯面(英語:、縮寫:),又称高斯曲面,是三維空間一閉合曲面,用于运用高斯定理计算向量场的通量,例如重力场、电场和磁场。[1]是任意形状的封闭曲面S = ∂V(3維V)流形邊界),通过对其进行曲面积分运算,可以求出曲面中包含的场源总量,例如重力场中包含的物质总量和静电场场源中包含的总电荷量,等等,也可以反过来从场源推算它产生的场。例如这里所举的最常见的情况,运用高斯曲面和高斯定理计算电场的时候,运用对称性选择恰当的高斯面,可以简化所研究的问题,使曲面积分更简单。如果高斯曲面上的每一点都能使该点垂直曲面的电场分量为常数,进行曲面积分的时候就能大大简化运算,因为常数可以从积分式中被提取出来。

常見的高斯曲面

從而Qenc是被高斯曲面包圍的電荷。
高斯球面
當找到由以下任何一種產生的電場或通量時,可使用高斯球面:[3]
- a point charge
- a uniformly distributed spherical shell of charge
- any other charge distribution with spherical symmetry
The spherical Gaussian surface is chosen so that it is concentric with the charge distribution.
As an example, consider a charged spherical shell S of negligible thickness, with a uniformly distributed charge Q and radius R. We can use Gauss's law to find the magnitude of the resultant electric field E at a distance r from the center of the charged shell. It is immediately apparent that for a spherical Gaussian surface of radius r < R the enclosed charge is zero: hence the net flux is zero and the magnitude of the electric field on the Gaussian surface is also 0 (by letting QA = 0 in Gauss's law, where QA is the charge enclosed by the Gaussian surface).
With the same example, using a larger Gaussian surface outside the shell where r > R, Gauss's law will produce a non-zero electric field. This is determined as follows.
球面S通量為:
The surface area of the sphere of radius r is
which implies
By Gauss's law the flux is also
finally equating the expression for ΦE gives the magnitude of the E-field at position r:
This non-trivial result shows that any spherical distribution of charge acts as a point charge when observed from the outside of the charge distribution; this is in fact a verification of Coulomb's law. And, as mentioned, any exterior charges do not count.
高斯圓柱面

當找到由以下任何一種產生的電場或通量時,可使用高斯圓柱面:[3]
- 一條無限長的均勻電荷線
- 一個無限均勻電荷平面
- 一個無限長的均勻電荷圓柱體
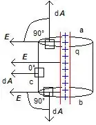
例如“無限線電荷附近的場”如下所示;
Consider a point P at a distance r from an infinite line charge having charge density (charge per unit length) λ. Imagine a closed surface in the form of cylinder whose axis of rotation is the line charge. If h is the length of the cylinder, then the charge enclosed in the cylinder is
where q is the charge enclosed in the Gaussian surface. There are three surfaces a, b and c as shown in the figure. The differential vector area is dA, on each surface a, b and c.
The flux passing consists of the three contributions:
For surfaces a and b, E and dA will be perpendicular. For surface c, E and dA will be parallel, as shown in the figure.
The surface area of the cylinder is
which implies
By Gauss's law
equating for ΦE yields
高斯盒()
This surface is most often used to determine the electric field due to an infinite sheet of charge with uniform charge density, or a slab of charge with some finite thickness. The pillbox has a cylindrical shape, and can be thought of as consisting of three components: the disk at one end of the cylinder with area πR2, the disk at the other end with equal area, and the side of the cylinder. The sum of the electric flux through each component of the surface is proportional to the enclosed charge of the pillbox, as dictated by Gauss's Law. Because the field close to the sheet can be approximated as constant, the pillbox is oriented in a way so that the field lines penetrate the disks at the ends of the field at a perpendicular angle and the side of the cylinder are parallel to the field lines.
參考
- Essential Principles of Physics, P.M. Whelan, M.J. Hodgeson, 2nd Edition, 1978, John Murray, ISBN 0-7195-3382-1
- Introduction to electrodynamics (4th Edition), D. J. Griffiths, 2012, ISBN 978-0-321-85656-2
- Physics for Scientists and Engineers - with Modern Physics (6th Edition), P. A. Tipler, G. Mosca, Freeman, 2008, ISBN 0-7167-8964-7
- Purcell, Edward M. . McGraw-Hill. 1985. ISBN 0-07-004908-4.
- Jackson, John D. . Wiley. 1998. ISBN 0-471-30932-X.
進一步閱讀
- Electromagnetism (2nd Edition), I.S. Grant, W.R. Phillips, Manchester Physics, John Wiley & Sons, 2008, ISBN 978-0-471-92712-9