聚变实验列表
用于发展聚变能的实验总是会使用专门的装置,这些装置可以根据他们使用的聚变原理和燃料自持方式来进行区分。

Nova Laser,用于惯性约束聚变的实验(1984-1999)
主要区分为磁约束和惯性约束两种。在磁约束中,热等离子体膨胀的趋势被等离子体中的电流和外部线圈产生的磁场之间的洛伦兹力抵消。粒子密度范围趋向于1018-1022 m−3,线性尺寸范围为0.1 m至10m。 粒子和能量约束时间在从几毫秒到超过一秒的范围内,但是配置本身通常通过输入粒子、能量和电流来维持数倍或数千倍的时间。一些理论能够无限期地维持等离子体。
磁约束
环形器
环形器可以是轴对称的,例如托卡马克和反场箍缩,也可以是不对称的,比如仿星器。通过放弃环形对称性而获得的额外的自由度可能最终可以产生更好的约束,但工程、理论和实验诊断上的成本十分复杂。仿星器通常具有周期性,例如五倍的旋转对称。反场箍缩,尽管具有一些理论上的优势,例如低磁场线圈,还没有证明是成功的。
托卡马克
| 装置名称 | 状态 | 建造时间 | 运行时间 | 地点 | 所属组织 | 最大/最小半径 | 磁场 | 等离子电流 | 备注 | 照片 |
|---|---|---|---|---|---|---|---|---|---|---|
| T-1 | 关闭 | ? | 1957-1959 | 莫斯科 |
库尔恰托夫研究所 | 0.625 m/0.13 m | 1 T | 0.04 MA | 首台托卡马克 | ![]() |
| T-3 | 关闭 | ? | 1962-? | 莫斯科 |
库尔恰托夫研究所 | 1 m/0.12 m | 2.5 T | 0.06 MA | ||
| ST (Symmetric Tokamak) | 关闭 | Model C | 1970-1974 | 普林斯顿 |
普林斯顿等离子体物理实验室 | 1.09 m/0.13 m | 5.0 T | 0.13 MA | 美国首台托卡马克,从Model C仿星器改造而来 | |
| ORMAK (Oak Ridge tokaMAK) | 关闭 | 1971-1976 | 橡树岭 |
橡树岭国家实验室 | 0.8 m/0.23 m | 2.5 T | 0.34 MA | 等离子体温度首次达到20 MK | ||
| ATC | 关闭 | 1971-1972 | 1972-1976 | 普林斯顿 |
普林斯顿等离子体物理实验室 | 0.88 m/0.11 m | 2 T | 0.05 MA | 演示了等离子体压缩 | ![]() |
| TFR (Tokamak de Fontenay-aux-Roses) | 关闭 | 1973-1984 | 丰特奈-欧罗斯 |
原子能和替代能源委员会 | 1 m/0.2 m | 6 T | 0.49 | |||
| T-10 (Tokamak-10) | 关闭 | 1975-? | 莫斯科 |
库尔恰托夫研究所 | 1.50 m/0.36 m | 4 T | 0.6 MA | 当时最大的托卡马克装置 | ![]() | |
| PLT (Princeton Large Torus) | 关闭 | 1975-1986 | 普林斯顿 |
普林斯顿等离子体物理实验室 | 1.32 m/0.4 m | 4 T | 0.7 MA | 等离子体电流首次达到1 MA | ![]() | |
| ASDEX (Axially Symmetric Divertor Experiment)[1] | 改造 →HL-2A | 1980-1990 | 加兴 |
Max-Planck-Institut für Plasmaphysik | 1.65 m/0.4 m | 2.8 T | 0.5 MA | 1982年发现了H模 | ||
| TEXTOR [2][3] | 关闭 | 1976-1980 | 1981-2013 | 于利希 |
于利希研究中心 | 1.75 m/0.47 m | 2.8 T | 0.8 MA | 研究等离子体-壁相互作用 | |
| TFTR (Tokamak Fusion Test Reactor)[4] | 关闭 | 1980-1982 | 1982-1997 | 普林斯顿 |
普林斯顿等离子体物理实验室 | 2.4 m/0.8 m | 6 T | 3 MA | 创造了聚变能输出10.7 MW、等离子体温度510 MK的纪录 | ![]() |
| JET [5] | 运行中 | 1978-1983 | 1983- | 卡尔汉姆 |
Culham Centre for Fusion Energy | 2.96 m/0.96 m | 4 T | 7 MA | 创造了聚变能输出16.1 MW的纪录 | ![]() |
| Novillo[6][7] | 关闭 | NOVA-II | 1983-2004 | 墨西哥城 |
Instituto Nacional de Investigaciones Nucleares | 0.23 m/0.06 m | 1 T | 0.01 MA | 研究等离子体-壁相互作用 | |
| JT-60 (Japan Torus-60)[8] | 改造 →JT-60SA | 1985-2010 | 那珂市 |
Japan Atomic Energy Research Institute | 3.4 m/1.0 m | 4 T | 3 MA | High-beta steady-state operation, highest fusion triple product | ||
| DIII-D[9] | 运行中 | 1986[10] | 1986- | 聖地牙哥 (加利福尼亞州) |
General Atomics | 1.67 m/0.67 m | 2.2 T | 3 MA | 托卡马克优化设计 | ![]() |
| STOR-M (Saskatchewan Torus-Modified)[11] | 运行中 | 1987- | 萨斯卡通 |
Plasma Physics Laboratory (Saskatchewan) | 0.46 m/0.125 m | 1 T | 0.06 MA | 研究等离子体加热和反常运输 | ||
| T-15 | 改造 →T-15MD | 1983-1988 | 1988-1995 | 莫斯科 |
库尔恰托夫研究所 | 2.43 m/0.7 m | 3.6 T | 1 MA | 首台超导托卡马克 | ![]() |
| Tore Supra[12] | 改造 →WEST | 1988-2011 | 卡达拉舍 |
Département de Recherches sur la Fusion Contrôlée | 2.25 m/0.7 m | 4.5 T | 2 MA | 主动冷却的大型托卡马克 | ||
| ADITYA (tokamak) | 运行中 | 1989- | 甘地讷格尔 |
Institute for Plasma Research | 0.75 m/0.25 m | 1.2 T | 0.25 MA | |||
| COMPASS (COMPact ASSembly)[13][14] | 运行中 | 1980- | 1989- | 布拉格 |
Institute of Plasma Physics AS CR | 0.56 m/0.23 m | 2.1 T | 0.32 MA | ![]() | |
| FTU | 运行中 | 1990- | 弗拉斯卡蒂 |
ENEA | 0.935 m/0.35 m | 8 T | 1.6 MA | |||
| START [15] | 关闭 | 1990-1998 | 卡尔汉姆 |
Culham Centre for Fusion Energy | 0.3 m/? | 0.5 T | 0.31 MA | 首台全尺寸球形托卡马克 | ||
| ASDEX Upgrade (Axially Symmetric Divertor Experiment) | 运行中 | 1991- | 加兴 |
Max-Planck-Institut für Plasmaphysik | 1.65 m/0.5 m | 2.6 T | 1.4 MA | ![]() | ||
| Alcator C-Mod (Alto Campo Toro)[16] | 关闭 | 1986- | 1991-2016 | 剑桥 |
麻省理工学院 | 0.68 m/0.22 m | 8 T | 2 MA | 创造了等离子体压力2.05 bar的纪录 | ![]() |
| ISTTOK (Instituto Superior Técnico TOKamak)[17] | 运行中 | 1992- | 里斯本 |
Instituto de Plasmas e Fusão Nuclear | 0.46 m/0.085 m | 2.8 T | 0.01 MA | |||
| TCV (Tokamak à Configuration Variable)[18] | 运行中 | 1992- | 洛桑 |
洛桑联邦理工学院 | 0.88 m/0.25 m | 1.43 T | 1.2 MA | 聚变研究 | ![]() | |
| Pegasus Toroidal Experiment[19] | 运行中 | ? | 1996- | 麦迪逊 |
威斯康星大学麦迪逊分校 | 0.45 m/0.4 m | 0.18 T | 0.3 MA | 极低长宽比 | ![]() |
| NSTX (National Spherical Torus Experiment)[20] | 运行中 | 1999- | 平原镇Plainsboro Township |
普林斯顿等离子体物理实验室 | 0.85 m/0.68 m | 0.3 T | 2 MA | 研究球形托卡马克理论 | ![]() | |
| ET (Electric Tokamak) | 改造 →ETPD | 1998 | 1999-2006 | 洛杉矶 |
加利福尼亚大学洛杉矶分校 | 5 m/1 m | 0.25 T | 0.045 | 当时最大的托卡马克装置 | ![]() |
| CDX-U (Current Drive Experiment-Upgrade) | 改造 →LTX | 2000-2005 | 普林斯顿 |
普林斯顿等离子体物理实验室 | 0.3 m/? m | 0.23 T | 0.03 MA | Study Lithium in plasma walls | ![]() | |
| MAST (Mega-Ampere Spherical Tokamak)[21] | 改造 →MAST-Upgrade | 1997-1999 | 1999-2013 | 卡尔汉姆 |
Culham Centre for Fusion Energy | 0.9 m/0.6 m | 0.55 T | 1.4 MA | 研究球形托卡马克聚变 | ![]() |
| SST-1 (Steady State Superconducting Tokamak)[22] | 运行中 | 2001- | 2005- | 甘地讷格尔 |
Institute for Plasma Research | 1.1 m/0.2 m | 3 T | 0.22 MA | Produce a 1000s elongated double null divertor plasma | |
| EAST [23] | 运行中 | 2003-2006 | 2006- | 合肥 |
中国科学院合肥物质科学研究院 | 1.85 m/0.4 5m | 3.5 T | 0.5 MA | H模式等离子体在50 MK时自持超过100 s | ![]() |
| KSTAR [24] | 运行中 | 1998-2007 | 2008- | 大田广域市 |
National Fusion Research Institute | 1.8 m/0.5 m | 3.5 T | 2 MA | 全超导托卡马克 | ![]() |
| LTX (Lithium Tokamak Experiment) | 运行中 | 2005-2008 | 2008- | 普林斯顿 |
普林斯顿等离子体物理实验室 | 0.4 m/? m | 0.4 T | 0.4 MA | Study Lithium in plasma walls | ![]() |
| QUEST (Spherical Tokamak)[25] | 运行中 | 2008- | 春日市 |
Kyushu University | 0.68 m/0.4 m | 0.25 T | 0.02 MA | 研究球形托卡马克中的稳态等离子体 | ||
| Kazakhstan Tokamak for Material testing (KTM) | 运行中 | 2000-2010 | 2010- | 库尔恰托夫 |
National Nuclear Center of the Republic of Kazakhstan | 0.86 m/0.43 m | 1 T | 0.75 MA | Testing of wall and divertor | |
| ST25-HTS[26] | 运行中 | 2012-2015 | 2015- | 卡尔汉姆 |
Tokamak Energy Ltd | 0.25 m/0.125 m | 0.1 T | 0.02 MA | 稳态等离子体 | ![]() |
| WEST (Tungsten Environment in Steady-state Tokamak) | 运行中 | 2013-2016 | 2016- | 卡达拉舍 |
Département de Recherches sur la Fusion Contrôlée | 2.5 m/0.5 m | 3.7 T | 1 MA | 主动冷却超导托卡马克 | ![]() |
| ST40[27] | 运行中 | 2017-2018 | 2018- | 卡尔汉姆 |
Tokamak Energy Ltd | 0.4 m/0.3 m | 3 T | 2 MA | 首台球形强场托卡马克 | ![]() |
| JT-60SA (Japan Torus-60 super, advanced)[28] | 建设中 | 2013-2020? | 2020? | 那珂 |
Japan Atomic Energy Research Institute | 2.96 m/1.18 m | 2.25 T | 5.5 MA | Optimise plasma configurations for ITER and DEMO with full non-inductive steady-state operation | ![]() |
| ITER[29] | 建设中 | 2013- | 2025? | 卡达拉舍 |
ITER Council | 6.2 m/2.0 m | 5.3 T | 15 MA ? | Demonstrate feasibility of fusion on a power-plant scale with 500 MW fusion power | ![]() |
| DTT (Divertor Tokamak Test facility)[30] | 规划 | ? | 2022? | 弗拉斯卡蒂 |
ENEA | 2.15 m/0.70 m | 6 T ? | 6 MA ? | Divertor design | |
| IGNITOR[31] | 规划[32] | ? | >2024 | 特羅伊茨克 (車里雅賓斯克州) |
ENEA | 1.32 m/0.47 m | 13 T | 11 MA ? | Compact fustion reactor with self-sustained plasma and 100 MW of planned fusion power | |
| CFETR [33] | 规划 | 2020? | 2030? | 中国科学院等离子体物理研究所 | 5.7 m ? | 5 T ? | 10 MA ? | Bridge gaps between ITER and DEMO, planned fusion power 1000 MW | ||
| K-DEMO [34] | 规划 | 2037? | National Fusion Research Institute | 6.8 m/2.1 m | 7 T | 12 MA ? | Prototype for the development of commercial fusion reactors with around 2200 MW of fusion power | ![]() | ||
| DEMO | 规划 | 2031? | 2044? | ? | 9 m/3 m ? | 6 T ? | 20 MA ? | Prototype for a commercial fusion reactor | ![]() |
仿星器
| Device Name | Status | Construction | Operation | Type | Location | Organisation | Major/Minor Radius | B-field | Purpose | Image |
|---|---|---|---|---|---|---|---|---|---|---|
| Model A | 关闭 | 1952-1953 | 1953-? | Figure-8 | 普林斯顿 |
普林斯顿等离子体物理实验室 | 0.3 m/0.02 m | 0.1 T | First stellarator | |
| Model B | 关闭 | 1953-1954 | 1954-1959 | Figure-8 | 普林斯顿 |
普林斯顿等离子体物理实验室 | 0.3 m/0.02 m | 5 T | Development of plasma diagnostics | |
| Model B-2 | 关闭 | Figure-8 | 普林斯顿 |
普林斯顿等离子体物理实验室 | 0.3 m/0.02 m | 5 T | ||||
| Model B-3 | 关闭 | 1958 | Figure-8 | 普林斯顿 |
普林斯顿等离子体物理实验室 | 0.4 m/0.02 m | 4 T | |||
| Model B-64 | 关闭 | 1955 | Square | 普林斯顿 |
普林斯顿等离子体物理实验室 | ? m/0.05 m | 1.8 T | |||
| Model B-65 | 关闭 | Racetrack | 普林斯顿 |
普林斯顿等离子体物理实验室 | ||||||
| Model B-66 | 关闭 | 普林斯顿 | 普林斯顿等离子体物理实验室 | |||||||
| Wendelstein 1-A | 关闭 | 1960 | Racetrack | 加兴 |
Max-Planck-Institut für Plasmaphysik | 0.35 m/0.02 m | 2 T | ℓ=3 | ||
| Wendelstein 1-B | 关闭 | 1960 | Racetrack | 加兴 |
Max-Planck-Institut für Plasmaphysik | 0.35 m/0.02 m | 2 T | ℓ=2 | ||
| Model C | 改造 →ST | 1957-1962 | 1962-1969 | Racetrack | 普林斯顿 |
普林斯顿等离子体物理实验室 | 1.9 m/0.07 m | 3.5 T | Found large plasma losses by Bohm diffusion | |
| L-1 | 关闭 | 1963 | 1963-1971 | Lebedev |
Lebedev Physical Institute | 0.6 m/0.05 m | 1 T | |||
| SIRIUS | 关闭 | 1964-? | 哈尔科夫 |
|||||||
| TOR-1 | 关闭 | 1967 | 1967-1973 | Lebedev |
Lebedev Physical Institute | 0.6 m/0.05 m | 1 T | |||
| TOR-2 | 关闭 | ? | 1967-1973 | Lebedev |
列别杰夫物理研究所 | 0.63 m/0.036 m | 2.5 T | |||
| Wendelstein 2-A | 关闭 | 1965-1968 | 1968-1974 | Heliotron | 加兴 |
Max-Planck-Institut für Plasmaphysik | 0.5 m/0.05 m | 0.6 T | Good plasma confinement “Munich mystery” | ![]() |
| Wendelstein 2-B | 关闭 | ?-1970 | 1971-? | Heliotron | 加兴 |
Max-Planck-Institut für Plasmaphysik | 0.5 m/0.055 m | 1.25 T | Demonstrated similar performance than tokamaks | ![]() |
| L-2 | 关闭 | ? | 1975-? | Lebedev |
Lebedev Physical Institute | 1 m/0.11 m | 2.0 T | |||
| WEGA | 改造 →HIDRA | 1972-1975 | 1975-2013 | Classical stellarator | 格赖夫斯瓦尔德 |
Max-Planck-Institut für Plasmaphysik | 0.72 m/0.15 m | 1.4 T | Test lower hybrid heating | ![]() |
| Wendelstein 7-A | 关闭 | ? | 1975-1985 | Classical stellarator | 加兴 |
Max-Planck-Institut für Plasmaphysik | 2 m/0.1 m | 3.5 T | First "pure" stellarator without plasma current | |
| Heliotron-E | 关闭 | ? | 1980-? | Heliotron | Template:Country data JP | 2.2 m/0.2 m | 1.9 T | |||
| Heliotron-DR | 关闭 | ? | 1981-? | Heliotron | Template:Country data JP | 0.9 m/0.07 m | 0.6 T | |||
| Auburn Torsatron | 关闭 | ? | 1984-1990 | Torsatron | 奥本 |
奧本大學 | 0.58 m/0.14 m | 0.2 T | ||
| Wendelstein 7-AS | 关闭 | 1982-1988 | 1988-2002 | Modular, advanced stellarator | 加兴 |
Max-Planck-Institut für Plasmaphysik | 2 m/0.13 m | 2.6 T | First H-mode in a stellarator in 1992 | ![]() |
| Compact Helical System (CHS) | 关闭 | ? | 1989-? | Heliotron | 土岐 Template:Country data JP | National Institute for Fusion Science | 1 m/0.2 m | 1.5 T | ||
| Compact Auburn Torsatron (CAT) | 关闭 | ?-1990 | 1990-2000 | Torsatron | 奥本 |
奧本大學 | 0.53 m/0.11 m | 0.1 T | Study magnetic flux surfaces | |
| H-1NF[35] | 运行中 | 1992- | Heliac | 堪培拉 |
Research School of Physical Sciences and Engineering, Australian National University | 1.0 m/0.19 m | 0.5 T | ![]() | ||
| TJ-K[36] | 运行中 | TJ-IU | 1994- | Torsatron | 基尔 |
斯图加特大学 | 0.60 m/0.10 m | 0.5 T | Teaching | |
| TJ-II[37] | 运行中 | 1991- | 1997- | flexible Heliac | 马德里 |
National Fusion Laboratory, Centro de Investigaciones Energéticas, Medioambientales y Tecnológicas (Ciemat) | 1.5 m/0.28 m | 1.2 T | Study plasma in flexible configuration | |
| LHD (Large Helical Device)[38] | 运行中 | 1990-1998 | 1998- | Heliotron | 土岐 Template:Country data JP | National Institute for Fusion Science | 3.5 m/0.6 m | 3 T | Determine feasibility of a stellarator fusion reactor | ![]() |
| HSX (Helically Symmetric Experiment) | 运行中 | 1999- | Modular, quasi-helically symmetric | 麦迪逊 |
University of Wisconsin–Madison | 1.2 m/0.15 m | 1 T | investigate plasma transport | ![]() | |
| Heliotron J (Heliotron J)[39] | 运行中 | 2000- | Heliotron | 京都 Template:Country data JP | Institute of Advanced Energy | 1.2 m/0.1 m | 1.5 T | Study helical-axis heliotron configuration | ||
| Uragan-2(M)[40] | ? | ? | ? | Heliotron, Torsatron | 哈尔科夫 |
National Science Center, Kharkiv Institute of Physics and Technology (NSC KIPT) | 1.7 m/0.24 m | 2.4 T | ? | |
| Uragan-3 (M)[40] | ? | ? | ? | Torsatron | 哈尔科夫 |
National Science Center, Kharkiv Institute of Physics and Technology (NSC KIPT) | 1.0 m/0.12 m | 1.3 T | ? | |
| Columbia Non-neutral Torus (CNT) | 运行中 | ? | 2004- | Circular interlocked coils | 纽约 |
哥伦比亚大学 | 0.3 m/0.1 m | 0.2 T | Study of non-neutral plasmas | |
| Quasi-poloidal stellarator (QPS)[41][42] | 取消 | 2001-2007 | - | Modular | 橡树岭 |
橡树岭国家实验室 | 0.9 m/0.33 m | 1.0 T | Stellarator research | ![]() |
| NCSX (National Compact Stellarator Experiment) | 取消 | 2004-2008 | - | Helias | 普林斯顿 |
普林斯顿等离子体物理实验室 | 1.4 m/0.32 m | 1.7 T | High-β stability | ![]() |
| Compact Toroidal Hybrid (CTH) | 运行中 | ? | 2007?- | Torsatron | 奥本 |
奧本大學 | 0.75 m/0.2 m | 0.7 T | Hybrid stellarator/tokamak | |
| HIDRA (Hybrid Illinois Device for Research and Applications)[43] | 运行中 | 2013-2014 (WEGA) | 2014- | ? | 厄巴纳 (伊利诺伊州) |
University of Illinois at Urbana - Champaign | 0.72 m/0.19 m | 0.5 T | 仿星器和托卡马克合二为一的装置 | ![]() |
| UST_2[44] | 运行中 | 2013 | 2014- | modular three period quasi-isodynamic | 马德里 |
Charles III University of Madrid | 0.29 m/0.04 m | 0.089 T | 3D printed stellarator | ![]() |
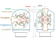
| Wendelstein 7-X[45] | 运行中 | 1996-2015 | 2015- | Helias | 格赖夫斯瓦尔德 |
马克斯-普朗克等离子体物理研究所 | 5.5 m/0.53 m | 3 T | Steady-state plasma in fully optimized stellarator | ![]() |
| SCR-1 (Stellarator of Costa Rica) | 运行中 | 2011-2015 | 2016- | Modular | 卡塔戈 |
Instituto Tecnológico de Costa Rica | 0.14 m/0.042 m | 0.044 T | ![]() |
反场箍缩
- RFX (Reversed-Field eXperiment), Consorzio RFX, Padova, Italy[46]
- MST (Madison Symmetric Torus), 威斯康星大学麦迪逊分校, United States[47]
- T2R, Royal Institute of Technology, Stockholm, Sweden
- TPE-RX, AIST, Tsukuba, Japan
- KTX (Keda Torus eXperiment) in China (since 2015)[48]
磁镜
- Baseball I/Baseball II, 劳伦斯利弗莫尔国家实验室,利弗莫尔,加利福尼亚州。
- TMX, TMX, 劳伦斯利弗莫尔国家实验室,利弗莫尔,加利福尼亚州。
- MFTF, 劳伦斯利弗莫尔国家实验室,利弗莫尔, 加利福尼亚州。
- Gas Dynamic Trap, Budker Institute of Nuclear Physics, 阿卡杰姆戈罗多克,俄罗斯。
球形马克
- Template:Sustained Spheromak Physics Experiment
场反向位形
- C-2 Tri Alpha EnergyTri_Alpha_Energy
- C-2U Tri Alpha Energy
- C-3 (under construction?) Tri Alpha Energy
- LSX, 华盛顿大学
- IPA, 华盛顿大学
- HF, 华盛顿大学
- IPA-HF, 华盛顿大学
Plasma pinch
- Trisops - 2 facing theta-pinch guns
惯性约束
固态激光器
- National Ignition Facility (NIF) at LLNL in California, US[50]
- Laser Mégajoule of the Commissariat à l'Énergie Atomique in Bordeaux, France (under construction)[51]
- OMEGA EL Laser at the Laboratory for Laser Energetics, Rochester, US
- Gekko XII at the Institute for Laser Engineering in Osaka, Japan
- ISKRA-4 and ISKRA-5 Lasers at the Russian Federal Nuclear Center VNIIEF[52]
- Pharos laser, 2 beam 1 kJ/pulse (IR) Nd:Glass laser at the Naval Research Laboratories
- Vulcan laser at the central Laser Facility, Rutherford Appleton Laboratory, 2.6 kJ/pulse (IR) Nd:glass laser
- Trident laser, at LANL; 3 beams total; 2 x 400 J beams, 100 ps – 1 us; 1 beam ~100 J, 600 fs – 2 ns.
气体激光器
- NIKE laser at the Naval Research Laboratories, Krypton Fluoride gas laser
- PALS, formerly the "Asterix IV", at the Academy of Sciences of the Czech Republic,[53] 1 kJ max. output iodine laser at 1.315 micrometre fundamental wavelength
固态激光器
- 4 pi laser built during the mid 1960s at Lawrence Livermore National Laboratory
- Long path laser built at LLNL in 1972
- The two beam Janus laser built at LLNL in 1975
- The two beam Cyclops laser built at LLNL in 1975
- The two beam Argus laser built at LLNL in 1976
- The 20 beam Shiva laser built at LLNL in 1977
- 24 beam OMEGA laser completed in 1980 at the University of Rochester's Laboratory for Laser Energetics
- The 10 beam Nova laser (dismantled) at LLNL. (First shot taken, December 1984 – final shot taken and dismantled in 1999)
气体激光器
- "Single Beam System" or simply "67" after the building number it was housed in, a 1 kJ carbon dioxide laser at Los Alamos National Laboratory
- Gemini laser, 2 beams, 2.5 kJ carbon dioxide laser at LANL
- Helios laser, 8 beam, ~10 kJ carbon dioxide laser at LANL — Media at Wikimedia Commons
- Antares laser at LANL. (40 kJ CO2 laser, largest ever built, production of hot electrons in target plasma due to long wavelength of laser resulted in poor laser/plasma energy coupling)
- Aurora laser 96 beam 1.3 kJ total krypton fluoride (KrF) laser at LANL
- Sprite laser few joules/pulse laser at the Central Laser Facility, Rutherford Appleton Laboratory
Z-箍缩
- Z Pulsed Power Facility
- ZEBRA device at the University of Nevada's Nevada Terawatt Facility[54]
- Saturn accelerator at Sandia National Laboratory[55]
- MAGPIE at Imperial College London
- COBRA at Cornell University
- PULSOTRON[56]
磁化靶聚变
- FRX-L
- FRCHX
- General Fusion - under development
- LINUS project
参考资料
- . [2019-03-30]. (原始内容存档于2019-03-30).
- . www.fz-juelich.de. (原始内容存档于2012-12-27) (德语).
- Progress in Fusion Research - 30 Years of TEXTOR
- . 2011-04-26. (原始内容存档于2011-04-26).
- . 2006-04-30. (原始内容存档于2006-04-30).
- . 2009-11-25. (原始内容存档于2009-11-25).
- . www.tokamak.info. (原始内容存档于2019-04-15).
- Yoshikawa, M. . Fusion Technology 1978. 2006-10-02, 2: 1079. Bibcode:1979fute.conf.1079Y. 原始内容存档于2006-10-02.
- . fusion.gat.com. [2018-09-04]. (原始内容存档于2018-09-04) (英语).
- . science.energy.gov. [2018-09-04]. (原始内容存档于2018-09-04) (美国英语).
- . 2011-07-06. 原始内容存档于2011-07-06.
- . www-fusion-magnetique.cea.fr. [2018-09-04]. (原始内容存档于2013-05-02).
- . 2014-05-12. (原始内容存档于2014-05-12).
- . 2013-10-25. (原始内容存档于2013-10-25).
- . 2006-04-24. (原始内容存档于2006-04-24).
- . 2015-07-09. 原始内容存档于2015-07-09.
- . www.cfn.ist.utl.pt. (原始内容存档于2010-03-07).
- . crppwww.epfl.ch. (原始内容存档于2005-12-19).
- . pegasus.ep.wisc.edu. (原始内容存档于2020-06-22) (英语).
- . nstx-u.pppl.gov. [2018-09-04]. (原始内容存档于2018-09-05).
- . 2006-04-21. (原始内容存档于2006-04-21).
- . 2014-06-20. 原始内容存档于2014-06-20.
- . english.hf.cas.cn. (原始内容存档于2019-09-27).
- . 2008-05-30. (原始内容存档于2008-05-30).
- . 2013-11-10. (原始内容存档于2013-11-10).
- . [2019-03-30]. (原始内容存档于2019-03-26).
- . [2019-03-30]. (原始内容存档于2019-03-26).
- . [2020-09-17]. (原始内容存档于2016-03-05).
- . ITER. (原始内容存档于2013-12-09) (英语).
- . [2019-03-30]. (原始内容存档于2019-03-30).
- . www.frascati.enea.it. (原始内容存档于2019-03-21).
- . [2019-03-30]. (原始内容存档于2019-03-30).
- Gao, X. (PDF). www-naweb.iaea.org. 2013-12-17. (原始内容 (PDF)存档于2019-03-30).
- Kim, K.; Im, K.; Kim, H. C.; Oh, S.; Park, J. S.; Kwon, S.; Lee, Y. S.; Yeom, J. H.; Lee, C. . Nuclear Fusion. 2015, 55 (5): 053027. Bibcode:2015NucFu..55e3027K. ISSN 0029-5515. doi:10.1088/0029-5515/55/5/053027 (英语).
- Department, Head of. . prl.anu.edu.au. (原始内容存档于2010-02-13) (英语).
- . fusionwiki.ciemat.es. (原始内容存档于2019-03-30) (英语).
- CIEMAT. . www.ciemat.es. (原始内容存档于2006-07-19) (西班牙语).
- . www.lhd.nifs.ac.jp. (原始内容存档于2010-04-12).
- . http://www.iae.kyoto-u.ac.jp/en/joint/heliotron-j.html. (原始内容存档于2018-10-24). 外部链接存在于
|work=(帮助) - . www.kipt.kharkov.ua. (原始内容存档于2018-10-27).
- . [2019-03-30]. (原始内容存档于2016-04-24).
- http://qps.fed.ornl.gov/pvr/pdf/qpsentire.pdf
- . cpmi.illinois.edu. (原始内容存档于2019-03-30) (美国英语).
- . [2019-03-30]. (原始内容存档于2018-12-28).
- . www.ipp.mpg.de/w7x. (原始内容存档于2019-03-30).
- . www.igi.cnr.it. (原始内容存档于2009-09-01).
- Hartog, Peter Den. . plasma.physics.wisc.edu. (原始内容存档于2019-03-13).
- Liu, Wandong; et, al. . Nuclear Fusion. 2017, 57 (11): 116038. ISSN 0029-5515. doi:10.1088/1741-4326/aa7f21.
- . 2004-08-23. (原始内容存档于2004-08-23).
- . www.llnl.gov. (原始内容存档于2009-08-22) (英语).
- . www-lmj.cea.fr. (原始内容存档于2018-10-02).
- . 2005-04-06. (原始内容存档于2005-04-06).
- . archive.is. 2001-06-27. (原始内容存档于2001-06-27).
- . archive.is. 2000-09-19. (原始内容存档于2000-09-19).
- . www.sandia.gov. (原始内容存档于2012-07-16) (英语).
- . pulsotron.org. (原始内容存档于2019-04-01).
This article is issued from Wikipedia. The text is licensed under Creative Commons - Attribution - Sharealike. Additional terms may apply for the media files.

.jpg.webp)
.jpg.webp)
.jpg.webp)
.jpg.webp)







.jpg.webp)
.jpg.webp)

.jpg.webp)



.jpg.webp)




_(12219071813)_(cropped).jpg.webp)














