死区时间
Dead time或deadtime也稱為空載時間、無信號時間、空白時間,是電子電路或系統的不動作時間。
粒子偵測器中的死区时间
在粒子和核子物理的粒子偵測器系統,dead time意指在每個事件(event)發生後,系統不能再記錄接著發生的事件的那段時間[1]。就像拍照時若用閃光燈後,閃光燈需要一段時間充電,才能再拍下一張照片。dead time除了降低偵測效率外,也會有其他問題,例如在量子密碼學製造漏洞等[2]。
偵測系統的總dead time是因為偵測器本質上的不動作時間(例如气体离子化探测器的離子漂移時間)、類比前端的时间(例如頻譜放大器的成形時間),以及資料擷取的時間(類比數位轉換器的轉換時間,以及讀取及儲存時間)的總和。
偵測器本質上的不動作時間多半是因為其物理特性所造成,例如電花室在偵測到粒子之後,會有一段間不動作,直到金屬板上的電位夠高為止。另一種情形是偵測器在偵測到第一個粒子後,仍然可以工作,且偵測到第二個粒子,但偵測器的輸出無法辨析這二個事件,因此就沒有計數到第二個粒子,這稱為「累計」(pile-up)事件,其對應的能量可能是二個事件能量的和。有些情形下,可以用設計來使此情形減到最低,但代價是其他的特性(例如能量解析度)。
類比電路也可能會造成dead time,特別是成形頻譜放大器需要在儘可能長的時間內(.5到10毫秒)積分一個快速上昇,緩慢下降的信號,以達到最佳的解析度,因此使用者需在事件率以及解析度之間取捨。
觸發邏輯也可能是另一個dead time的來源,若超過信號處理的時間,因為雜訊造成的誤觸發也需列入考慮。
最後,事件的數位化、讀值以及儲存也會增加dead time,若像High Energy Physics實驗所用到非常多通道的偵測系統,更是如此。為了減輕此影響,中大型的實驗會使用複雜的管線技術以及多層觸發邏輯來提昇輸出率[3]。
從偵測系統運作的總時間內,需要扣除dead time才能得到有感時間(live time)。
電子電路中的死区时间
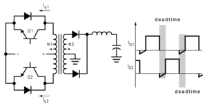
電子電路中的Dead time或deadtime也稱為死時、死區,是指開關電源系統中特定長度的不動作時間。

開關電源系統中,Dead time是指為了避免推挽式連接或類似電路的兩個電晶體開關同時導通而引入的時間。
推挽式連接的兩個電晶體開關,交互地導通和關閉來改變線圈中電流的方向。為避免兩個電晶體同時導通造成不要的電流浪湧,控制電路在開關動作引入了deadtime特性。在deadtime期間,即使前置系統發出要另一顆電晶體導通的信號,控制電路仍保持關閉的驅動狀態。
相關條目
參考資料
- W. R. Leo. . Springer. 1994: 122–127. ISBN 3-540-57280-5.
- Weier, H.; et al. . New Journal of Physics. 2011, 13 (7): 073024. Bibcode:2011NJPh...13g3024W. arXiv:1101.5289
. doi:10.1088/1367-2630/13/7/073024. - Carena, F.; et al. (PDF) (ALICE Internal Note/DAQ ALICE-INT-2010-001). December 2010 [2024-01-31]. (原始内容 (PDF)存档于2016-03-22).
- 吳朗. . 復漢出版社. 1982.