填谷式電路
填谷式電路或填谷電路(英文:,德文:),是一種低成本的被動式(無源)功率因數修正電路。
原理

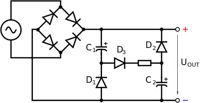
簡單的填谷電路圖
如右圖所示,市電經一個基本橋式全波整流器以後轉換為脈動的直流電,此時電容器C1和C2是相當於串聯的,單個電容器承受的電壓為整流後電壓峰值的一半,在C1正接線端和C2負接線端之間加上電壓,電容器的充電電流流經串聯在C1和C2之間的二極體D3和電阻,直到C1和C2充滿電以後,其中二極體D1和D2此時起隔離作用。
當電壓從脈動直流電壓的谷值往峰值上升時,電容器充電。而當電壓從脈動直流電壓的峰值往谷值下降時,輸出電壓Uout將會隨之下降,而此時電容器C1、C2開始分別通過各自的二極體D1、D2放電,回填輸出電壓Uout使其保持在脈動直流電壓峰值(亦即C1和C2的串聯時充滿電的電壓值),此時二極體D3就起到了隔離作用。
在這兩個過程中R1是用以防止浪湧電流及電磁干擾(EMI)[1];電容器C1和C2是以串聯的方式充電,以並聯的方式放電的,C1和C2的電容量相等。這種濾波電容的充放電方式使得整流橋二極體的導通角增大,而使得原為脈衝尖峰波形的電流可以變為接近於正弦波的電流波形,從而達到修正功率因數的目的。
不足
電壓漣波和普通的電容濾波全波整流電路相比沒有變化,仍有脈動直流電壓峰值的50%;而且由於二極體的增加,使得電流的總諧波失真(THD)仍占到35%上下。因此此類電路在對電壓穩定程度高的負載應用中仍需安裝濾波器(如電容器)以進一步濾除漣波和諧波,而使成本上升。[3]在大功率的應用場合不如主動式功率因數修正的修正效果好而且有效率。
參考資料
This article is issued from Wikipedia. The text is licensed under Creative Commons - Attribution - Sharealike. Additional terms may apply for the media files.